
產品詳情
結構組成;本系列泵主要由動力部分,液力部分,傳動部分及電機等組 成,整套安裝在一個整體底座上。泵體內有三 組吸、排閥組及填料箱。機座內裝有主軸、曲軸、連桿和十字頭等運動部件,電動機經聯軸器轉動主軸,通過主軸上的斜齒輪帶動曲軸旋轉或經三角膠帶轉動 大皮帶輪,帶動曲軸轉動,曲軸回轉帶動連桿、十字頭、柱塞作往復運動。柱塞用填料密封,在吸排液閥的配合下,達到吸入和排出液體的目的。
應用領域:高壓往復泵主要適用于石油、化工、化肥工業作為流程泵,油田、鹽礦作為注水泵,鋼管、壓力容器作為試壓泵、增壓泵,建筑、造船、化工等工業的高壓清洗除垢,鍋爐給水、液壓機械的傳動源,以及食品、制藥、儀表燈需要高壓流體且工藝流程脈沖要求高的領域。
優勢:三柱塞高壓往復泵是工業泵中不可缺少的一類產品。它的突出優點是:可獲得高的排出壓力,且流量與壓力基本無關,適應輸送介質十分廣泛,吸入性能好,效率高,泵的性能不隨壓力和輸送介質粘度的變動而變動。在當今世界能源緊缺的形勢下,往復泵作為節能產品,在石油開發、管道輸煤、煤氣化工、電站排渣、礦山開采等方面起著重要作用,而且在壓力容器檢測和實現現代化石油化工工業全面自動化操作方面也是不可缺少的品種。
技術參數:

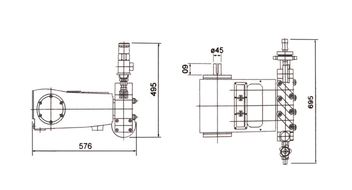
安裝尺寸:



